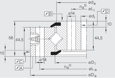
XSU型交叉滾子軸承(內、外環一體型)已進行了安裝孔的加工,所以不需要固定法蘭和支撐座。另外,由于采用帶座的的一體化內外環結構,安裝對性能幾乎沒有影響,因此能夠獲得穩定的旋轉精度和扭矩。能用于外環和內環旋轉。
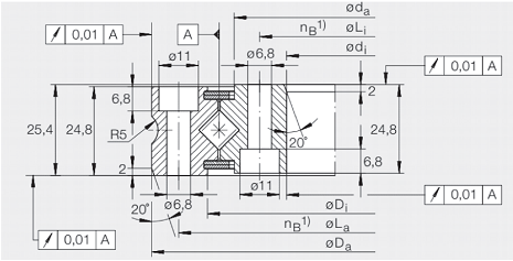
結構特點:交叉滾子軸承,是圓柱滾子在呈90度的V形溝槽滾動面上通過隔離塊被相互垂直地排列,所以交叉滾子軸承可承受徑向負荷、軸向負荷及力矩負荷等多方向的負荷。內外圈的尺寸被小型化,極薄形式更是接近于極限的小型尺寸,并且具有高鋼性,且精度可達到P5、P4、P2級。
應用領域:因此適合于工業機器人的關節部和旋轉部、機械加工中心的旋轉臺,精密旋轉工作臺、醫療機器、計算器、軍工、IC制造裝置等設備。

軸承型號Bearing type | 軸徑 shaft diameter | 主要尺寸 Main dimensions | 基本的額定負荷(軸向) Basic load rating(axial) | 基本的額定負荷(徑向) Basic load rating (radial) | 極限轉速Limiting speed | 重量weight | |||||
內徑inner ring | 外徑outer ring | 寬度width | 安裝孔 | Ca | C0a | Cr | Cor | ||||
d | D | B | na | kN | kN | kN | kN | r/min | Kg | ||
XSU080168 | 130 | 130 | 205 | 25.4 | 12 | 66 | 1900/8/27 | 42 | 96 | 227 | 3.3 |
XSU080188 | 150 | 150 | 225 | 25.4 | 16 | 71 | 1900/10/1 | 46 | 110 | 203 | 3.7 |
XSU080218 | 180 | 180 | 225 | 25.4 | 20 | 77 | 1900/11/10 | 49 | 127 | 175 | 4.3 |
XSU080258 | 220 | 220 | 295 | 25.4 | 24 | 84 | 1901/1/9 | 54 | 151 | 148 | 5.1 |
XSU080318 | 280 | 280 | 355 | 25.4 | 28 | 93 | 1901/4/9 | 59 | 185 | 120 | 6.3 |
XSU080398 | 360 | 360 | 435 | 25.4 | 36 | 106 | 1901/8/12 | 68 | 236 | 96 | 7.8 |

軸承型號Bearing type | 軸徑 shaft diameter | 主要尺寸 Main dimensions | 基本的額定負荷(軸向) Basic load rating(axial) | 基本的額定負荷(徑向) Basic load rating (radial) | 極限轉速Limiting speed | 重量weight | |||||
內徑inner ring | 外徑outer ring | 寬度width | 安裝孔 | Ca | C0a | Cr | Cor | ||||
d | D | B | na | kN | kN | kN | kN | r/min | Kg | ||
XSU140414 | 344 | 344 | 484 | 56 | 24 | 2 | 229 | 1901/6/3 | 146 | 250 | 28 |
XSU140544 | 474 | 474 | 614 | 56 | 32 | 2.5 | 270 | 1901/11/10 | 170 | 330 | 38 |
XSU140644 | 574 | 574 | 714 | 56 | 36 | 2.5 | 290 | 1902/3/10 | 185 | 395 | 44 |
XSU140744 | 674 | 674 | 814 | 56 | 40 | 3 | 315 | 1902/7/18 | 200 | 455 | 52 |
XSU140844 | 774 | 744 | 914 | 56 | 40 | 3 | 340 | 1902/11/15 | 215 | 510 | 60 |
XSU140944 | 874 | 874 | 1014 | 56 | 44 | 360 | 360 | 1903/3/15 | 227 | 580 | 67 |
服務熱線:
手 機:18638806302
地 址:洛陽空港產業集聚區機場路76號
掃一掃
掃一掃